设为首页
|
加入收藏
7*24小时服务热线:
18156957462
首页
公司简介
产品中心
新闻资讯
工艺设备
联系我们
产品分类
SUVO
SMC
THK产品中心
爱知时机AICHITOKEI
SKF润滑系统
东京机器TOKYO KEIKEI
HKC
i-TORK
KCC
滑台模组
上银
施耐博格Schneeberger
台湾金器
亚德客气动
KONSEI
Rotoflux
SCHUNK
平动机械手
Co-act机械手
定心机械手
张角式机械手
磁力机械手
派克parker
rexroth力士乐
力士乐(REXROTH)柱塞泵
力士乐(REXROTH)齿轮泵
力士乐(REXROTH)叶片泵
力士乐(REXROTH)溢流阀
力士乐(REXROTH)WE方向阀
力士乐(REXROTH)比例阀
油研YUKEN
SUPER GUN
TECNA焊接
YTC/Rotork
HAWE哈威
德国贺德克/HYDAC
ASUTEC
FIBRO
导柱式模架
成型 / 脱模
弹簧元件
FAGOR
瑞士EGIS--LUE
威洛博工业机器人
合肥創謙智能科技有限公司
地址:安徽省合肥市肥西县
电话:18156957462
手机:18156957462
QQ:746660633
Email:chuangqianzn@yeah.net
产品展示
位置:
首页
> > 产品展示
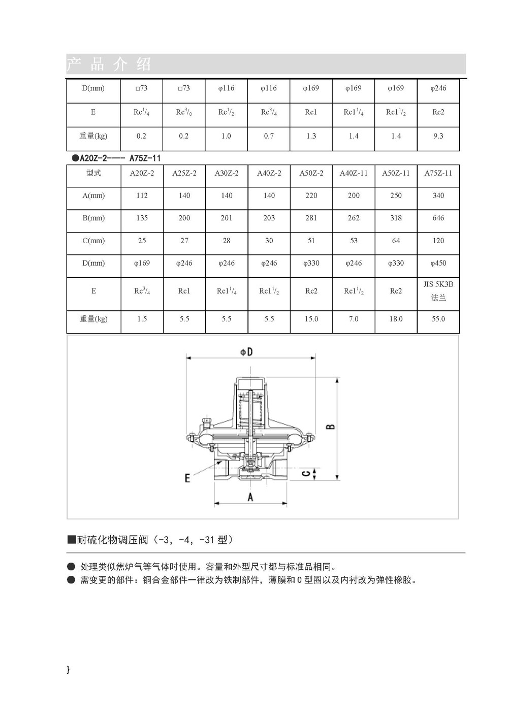
日本AICHI TOKEI爱知 零压、均压阀A-Z系列
产品型号:
A8Z-1
产品产地:
日本
发布日期:
2021-01-04
浏览次数:
次
咨询电话:
18156957462
关 键 词:
日本AICHI TOKEI爱知 零压、均压阀A-Z系列
分享到:
QQ空间
新浪微博
腾讯微博
更多
下一个产品
上一个产品
详细介绍